Maximize
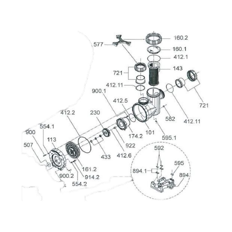
SPECK Resort pièces detachées
SPECK Resort pièces detachées.
Veuillez consulter la liste des pièces et nous appeler pour un devis.
Maximize
SPECK Resort pièces detachées.
Veuillez consulter la liste des pièces et nous appeler pour un devis.